型号:XYR-202020
• 压电马达驱动,断电自锁,节能稳定,内具刹车功能,无回程间隙
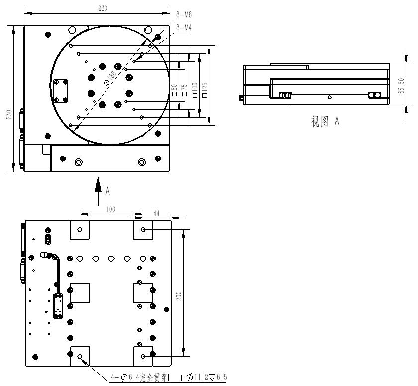
• X轴20毫米,Y轴20毫米行程和Z轴20°行程,简洁紧凑型设计
• 光栅反馈,分辨率可选,最小步进可达30nm,重复定位精度可达±150nm
• 可应用于半导体制造,显微技术,表面测量技术,微纳加工,生物和自动化技术
• 厂家直销,一手货源,价格更低,品质更好,货期更短
• 货期与价格请拨打0575-84882698咨询
• X轴20毫米,Y轴20毫米行程和Z轴20°行程,简洁紧凑型设计
• 光栅反馈,分辨率可选,最小步进可达30nm,重复定位精度可达±150nm
• 可应用于半导体制造,显微技术,表面测量技术,微纳加工,生物和自动化技术
• 厂家直销,一手货源,价格更低,品质更好,货期更短
• 货期与价格请拨打0575-84882698咨询
产品描述
| 型号 | XYR-202020 | |
| 行程(mm) | 20*20*20° | |
| 驱动马达 | 压电马达 | |
| 最大负载(KG) | 10 | |
| 最大速度(mm/s) | 30 | |
| 最小步距(nm) | 30 | 100 |
| 重复定位精度 | ±150nm,±0.001° | ±300nm,±0.001° |
| 位置传感器 | 光栅 | |
| 基本体材质 | 铝合金 | |
| 重量(KG) | 8.5 | |
![]() |
||
产品规格

